Будьте в курсе!
Новости, обзоры и акции
Время работы:
ПН-ПТ 10:00 - 19:00
СБ-ВС выходной
Новости, обзоры и акции
|
|
|
|
|
|
(0)
|
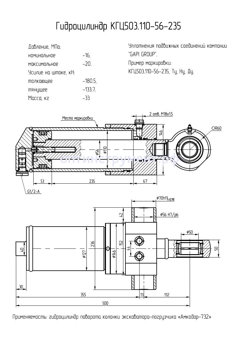
Вы можете узнать актуальную цену для города Оренбурга, на гидроцилиндр КГЦ503.110-56-235, сделав запрос, на наш электронный адрес 2584500@bk.ru
Гидроцилиндр поворота колонки экскаватора-погрузчика «Амкодор-732» КГЦ 503.110-56-235 в продаже по цене 35 760 руб. в Интернет-магазине Проф-инструмент с доставкой в Оренбурге и Оренбургской области. Звоните по телефону +8 (800) 302-10-51.
Новости, обзоры и акции
