Будьте в курсе!
Новости, обзоры и акции
Время работы:
ПН-ПТ 10:00 - 19:00
СБ-ВС выходной
Новости, обзоры и акции
|
|
|
|
|
|
(0)
|
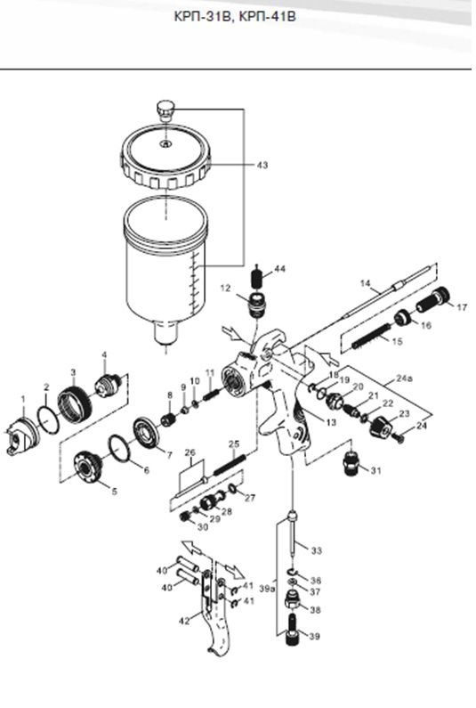
| № | состав | Кол-во |
| 1 | поз.24а; КРП- 31, КРП-41,узел регулировки формы | 1 |
| 2 | поз.28а; КРП- 31, КРП-41, клапан воздуха в сборе | 1 |
| 3 | поз.39а; КРП- 31, КРП-41, узел регулировки подачи ЛКМ | 1 |
| Итого: | 3 |


Ремкомплект КРП-41,31: основные узлы в продаже по цене 2 584 руб. в Интернет-магазине Проф-инструмент с доставкой в Оренбурге и Оренбургской области. Звоните по телефону +8 (800) 302-10-51.
Новости, обзоры и акции
